↓ Skip to Main Content
Next Project
Main Navigation
Menu
Home
Home Projects
Rustic Shelves and Brackets
18 Quart Tub Garage Storage Rack
Floating Nightstands with Box Miters
Home LED Lighting Nerd-Fest
Wiring an Induction Stove
Kreg Mini DIY Jig
5 Gallon Bucket Thien Baffle Dust Collector
Rustic Dining Room Table, Version 1
Rustic Dining Room Table, Version 2
Isuzu
Reupholstering Jeep Cherokee XJ Sun Visors
1st Gen Trooper Brake Job
Replacing 1st Generation Trooper Front Wheel Bearings and Grease Seals
Swapping 1st Generation Isuzu Trooper Auto Locking Hubs for WARN Manual Hubs
2007-2012 Honda Accord Brake Job
Replacing 1991 Isuzu Trooper Shocks Without Removing the Tires
Adding a Tachometer to a non-LS P’up
Random Technology
3D Printed USB Strain Relief and Student Project Boards for Arduino UNO and Breadboards
Organizing BLF Keys on VVX Expansion Modules in FreePBX
Adding Filament Runout Detection to an Anycubic Kossel with Marlin 1.1.8 and BIQU 3D Filament Detection Module
Fixing a Cheap 3d Printer Power Supply with a Blown NTC Thermister
pfSense Firewall
Provisioning Polycom Phones with DHCP Option 160 in pfSense, Meraki, and Mac OS X Server 10.11 El Capitan
HAProxy in pfSense as a Reverse Proxy
Monitoring pfSense WAN Uptime with Uptime Robot
Turning on Email Notifications in pfSense
FTP Server Behind pfSense
Installing pfSense on a Q190G4
pfSense Dual WAN Setup
Proxmox Virtualization Server Part 1: AMD Athlon 5370 Mini-ITX
Upgrading ASUS K52F to SSD
Welding
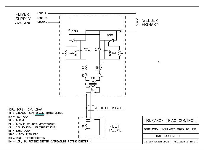
AC-225 Welder Amperage Control with SCRs
Adding DINSE Style Quick Disconnects to Lincoln AC-225
Lincoln AC-225 DC Conversion
Shooting
DIY Lanolin Pistol Case Lube
Quick and Easy DIY AR-15 Upper Receiver Vise Block
Making a Reloading Bench for a Hornady Lock-n-Load Press
Hornady Lock n Load AP Primer Out Alarm
DIY Brass Wet Tumbler
Magpul SGA Stock on Mossberg 500
Custom Berretta AL-2 Titanium Charging Handle
Free Plans
About Me
BUZZBOX REV3 jpeg
‹ Return to
AC-225 Welder Amperage Control with SCRs
Posted onBy
January 29, 2017
Nathan Darnell
Posted in
No Comments
Leave a Reply
Cancel reply
Leave a Reply